Опора контактной сети ЖД МГП1-10-100
скидка при оптовом заказе
Основные характеристики:
Характеристики
| Материал | Сталь С345 |
| Размер | 9600х540х200 м |
| Вес | 453 кг |
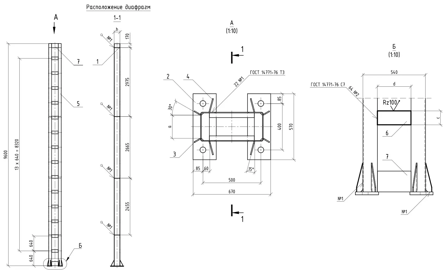
Опора контактной сети ЖД МГП1-10-100 (стойка жесткой поперечины)
Металлическая стойка МГП1-10-100 — основной несущий элемент для монтажа жестких поперечин в системе контактной сети железных дорог. Конструкция из гнутого швеллера обеспечивает максимальную устойчивость при значительных ветровых и гололедных нагрузках, что критически важно для безопасности и бесперебойности движения на магистральных и скоростных участках.
Ключевые технические характеристики:
- Маркировка: МГП1-10-100 (Металлическая, Гнутый швеллер, для жесткой Поперечины, 1 пояс, длина ~9.6 м, несущая способность 98 кН·м)
- Конструкция: Коробчатая сварная стойка с параллельными гранями. Грани пояса выполнены из швеллера 250х125х6,0 по ГОСТ 8278-83
- Материал: Сталь С245 (стандарт) или С345/09Г2С для условий пониженных температур (до -65 °C)
- Защита: Горячее цинкование всего изделия для полной антикоррозионной защиты
- Нагрузка: Допустимый изгибающий момент 10 тс·м (98 кН·м) поперек оси пути
- Габариты и вес: Длина — 9,6 м, масса — ~549 кг. Вагонная норма отгрузки — 32 шт
- Нормативная база: Изготовление по типовому проекту №6226и (серия 6226И), ГОСТ 54270-2010, ТУ 5264-866-01393674-2012
Преимущества выбора опор МГП1-10-100:
- Надежность для скоростных участков: Конструкция рассчитана на повышенные динамические нагрузки
- Адаптивность к климату: Возможность изготовления из низколегированных сталей для эксплуатации в районах с низкими температурами (до -65°C) и сейсмичностью до 9 баллов
- Упрощенный монтаж: Значительно меньший вес по сравнению с железобетонными аналогами позволяет сократить время и затраты на установку
- Долговечность: Цинковое покрытие гарантирует срок службы в агрессивных условиях без потери несущей способности
Сферы применения:
Стойки МГП1-10-100 применяются в качестве:
- Промежуточных и анкерных опор жестких поперечин
- Несущих конструкций на станциях, разъездах и перегонах
- Основы для подвески контактных проводов, питающих линий и дополнительного оборудования
Производство и контроль качества
Изготовление осуществляется на современном оборудовании с обязательным входным контролем сырья и выходным контролем готовой продукции. Каждая партия сопровождается полным пакетом документов.
Почему стоит заказать у нас?
Мы не просто продаем металлоконструкции. АО «Меркурий» выступает как единый ответственный поставщик для проектов РЖД и инфраструктурного строительства.
- Комплексные решения: От расчета и подбора марки стали до поставки полного комплекта под ваш проект
- Работа в правовом поле: Полный пакет документов для участия в тендерах по 44-ФЗ и 223-ФЗ
- Оптимизация логистики: Организуем доставку партий любого объема по всей территории РФ
Запросите коммерческое предложение: Для расчета точной стоимости отправьте опросный лист или свяжитесь с техническим специалистом.

Дополнительно приобретается
Опора рамная П-образная РМП-1

Опора освещения ОС-5

Процесс монтажа
Подготовка фундаментных оснований
Монтаж опоры МГП1-10-100 на фундамент
Крепление стойки высокопрочными болтами
Монтаж жесткой поперечины и консолей
Установка изоляторов и контактных проводов
Регулировка натяжения и геометрии подвески
Игорь Васильев, начальник службы электроснабжения, АО «ТрансЭнергоСтрой»
2026-02-07Работаем с «Mercurytrade» на реконструкции участков контактной сети подъездных путей. Заказывали партию опор МГП1-10-100. Ключевым фактором выбора стал статус компании как единого поставщика — смогли получить не только опоры, но и все необходимые комплектующие (кронштейны, фиксаторы) с одним пакетом документов, что для нас, как для подрядчика РЖД, критически важно. Качество изготовления соответствует требованиям типовых проектов РЖД: геометрия выдержана, марка стали С345 подтверждена сертификатами, качество сварки и оцинковки хорошее. Логистика была организована четко, доставку на удаленный склад согласовали с учетом нашего графика работ. Рекомендую как надежного поставщика для объектов железнодорожной инфраструктуры.
Денис Ковалев, руководитель проекта, ООО «ИнфраСтрой»
2026-02-07Приобретали опоры МГП1-10-100 для устройства контактной сети на территории нового складского комплекса. Как участник закупок по 223-ФЗ, требовался поставщик с полным пакетом легализующих документов. Меркурий предоставили все необходимые сертификаты на металл, готовые изделия, документацию соответствия стандартам РЖД, что полностью сняло вопросы у технического заказчика. Сами опоры изготовлены качественно, отклонений по размерам не выявлено, упакованы для перевозки надлежащим образом. Отдельно отмечу консультативную поддержку при подборе — помогли уточнить спецификацию под наш проект. Для комплексных поставок в строгом нормативном поле — надежный вариант.

